全面服務,快速支持
全國咨詢熱線
TELEPHONE
帶鋸分齒質量檢測
鋰電池生產極片檢測
太陽能電池片正銀印刷檢測
條碼、字符檢測
帶狀薄膜檢測
高精度貼合
長沙電廠6KV廠用電開關柜改造
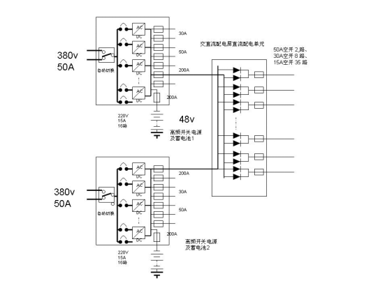
五強溪水電站通信電源改造
黔東電廠DCS雙電源切換裝置改造
黑麋峰抽水蓄能水電站廠用電10KV配電設備改
來賓法資BOT電廠開關站電源改造
三板溪信息機房改造
三板溪水電站通信電源改造
洪江電廠通信機房及通信電源改造
碗米坡通信電源改造
凌津灘水電站通信電源改造
五凌公司集控中心KVM系統
電話:18073189578 QQ:17643534 郵箱:wjynet@126.com 地址:湖南省長沙市經開區銘城綠谷智慧產業園20棟1204
經營性備案號: 湘ICP備18011206號